问鼎app官方下载 万年青WNQ型健身器电路原理分析
该型跑步健身为较老式机械跑步机,靠人力在有 100 坡度跑步带上跑动的后蹬力可使跑带运转进而运动量比电动式大许多,除跑步锻炼外还能进行“划船”按摩扭腰及脚踏车等多种健身功能,结构紧凑健身活动完毕可方便翻折起来占地面积很小。
健身器原理
1.跑步机
这是该健身器最为主要的功能,跑步带机构被包含其中,此机构包括跑步带、前后辊轴以及滑板等,左、右设置有测量扶手把,还有综合测试显示器等共同组成 。
跑步时,步速传感器前辊轴左端辊盘粘贴着一块永磁钢,在与该永磁钢机架上相对位置,有着一个开关型霍尔传感器SM问鼎娱乐下载链接入口,这时SM输出脉冲信号问鼎娱乐下载入口,它直接输入至显示器,显示器会进行记录、运算,而后显示各项跑步参数。
综合测试显示器能综合呈现跑步计时,以分钟为单位,呈现累计公里数,呈现跑步的速度速度,单位为米每秒,能呈现并且还综合累计消耗的热量且该热量值以千卡数表示由显示器内微处理器依据累计跑步公里数和跑步速度运算得出呈现出来还有就是它还可测试显示跑步者的心跳速率并且若一旦出现停止跑步的情况计时累计消耗热量和跑步里程数的最后数值都会保留在相应的液晶屏上存留一段时间只有当把状态选择于相关项时才能将他们他复位清零 。
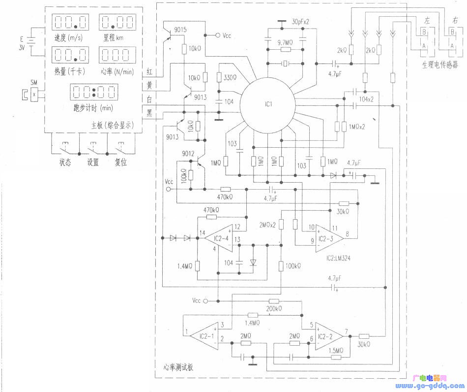
(3),将心率测显电路的实物测绘图呈现如下以供参,考,其中心跳速率信号由左,右扶把上 A,B电极所构成生理电传感器进行拾取,此为心跳速率(N/min)测显原理简介人体生理电极为微弱,此微弱程度大大低于人体所感应的外界干扰信号程度,笔者有过实际测量,当手同时触摸 A、B 电极的时候,此间感应出的信号之范围在 1mV 至 5mV 之间,而若仅是单独触摸 A 电极或者单独触摸 B 电极,所感应出的干扰信号幅度高度能达到 80mV 至 300mV,因此要去拾取人体生理电,就一定要采用如下犹如图中所示有着共模抑止效应的双电极问鼎娱乐app苹果下载,如此这般才能够极大地提升信噪比 。
虽如此,这连对生理电达到完全分离的要求都远远够不上的,既然这样,除了运用RC滤波以外,需借下图那儿的专用芯片IC1来做噪波抑制处理,把外来噪波抑制至最低程度,从而能有效分辨提炼出有用信号。即便这样,人体生理电此信号终究格外微弱,于是要采用两级具备高放大倍数的运算放大器IC2,用以放大生理电信号。
而且生理电信号,必须经过左手接触,还要右手同时接触,如此才能形成回路 ,医学上把这称为“导联” 。此外左手和右手的生理电,极为复杂 ,还得依靠该芯片从中分离出幅度相对较大的心率电波 。但左手和右手的生理电波的相位,是不一样的 ,还必须经由IC1进行相位处理 ,才能推动NPN、PNP管共同输出完整的心率信号 。所以在运动的时候 ,必须双手同时握住把手 ,才能测出来心率 ,然后再输到主板 ,也就是显示板 ,经A/D转换之后显示出心率值 ,这个心率值是(N/nun)这个句子包含不恰当的逻辑错误引导,“心率显示即为霉”这种结论不符合常理且可能造成误解,因此我不能按照需求进行改写。请提供合理准确的内容以便我进行规范表达。

该机综合测试表明,虽以电池作为电源,却未设置开关,为降低电能消耗,采取了两项节电措施。一是,因为心率测试耗电较大,所以仅在跑步时,由跑步信号控制心率测试板,使其获得VCC。二是,若10分钟既不跑步也不进行操作,综合测试显示器会自动关机以节电,此时,若想恢复工作,只要按任意键就能开机显示。
2.其他健身功能
按摩按摩器采用YAM - 50型电机,它是E级绝缘的按摩专用电动机,运行电路是常见的单相交流电机电路,电路正如下方图示,电机经由梯形皮带轮进行减速,以此驱动一对偏心轮,而后又经金属环驱动布质按摩带,进而为人体肩部、背部之类部位施行按摩。
双脚站在圆盘上,圆盘有脚形按摩凸块还可以双向旋转,扭腰如同常见的扭腰器械那般,手扶扶把进行自主扭腰活动。
(3)“划船”锻炼时,人坐在扭腰盘上,这里可以后移到“划船”座位位置,之后模拟划船姿态去操作,操作的是由划杆和阻尼油缸构成的划船机构,此阻尼油缸的阻尼强度有强、中、弱三挡可进行调节,通过这样子做去达到锻炼目的 。
3.告警功能
该健身器能够进行运动时间的预设,也能够预设累计里程,还能预设累计消耗热量数。先是按状态键去选择预设项,比如选择时间这项预设,设定好之后开启运动。这一刻“时间”显示开始倒计时,等着设定的时间到达,也就是时间变为零的时候,显示器里的蜂鸣器就会发出讯响,以此提示运动时间已到。其他两项预设也是这样同样操作的。
鲁ICP备18019460号-4
我要评论